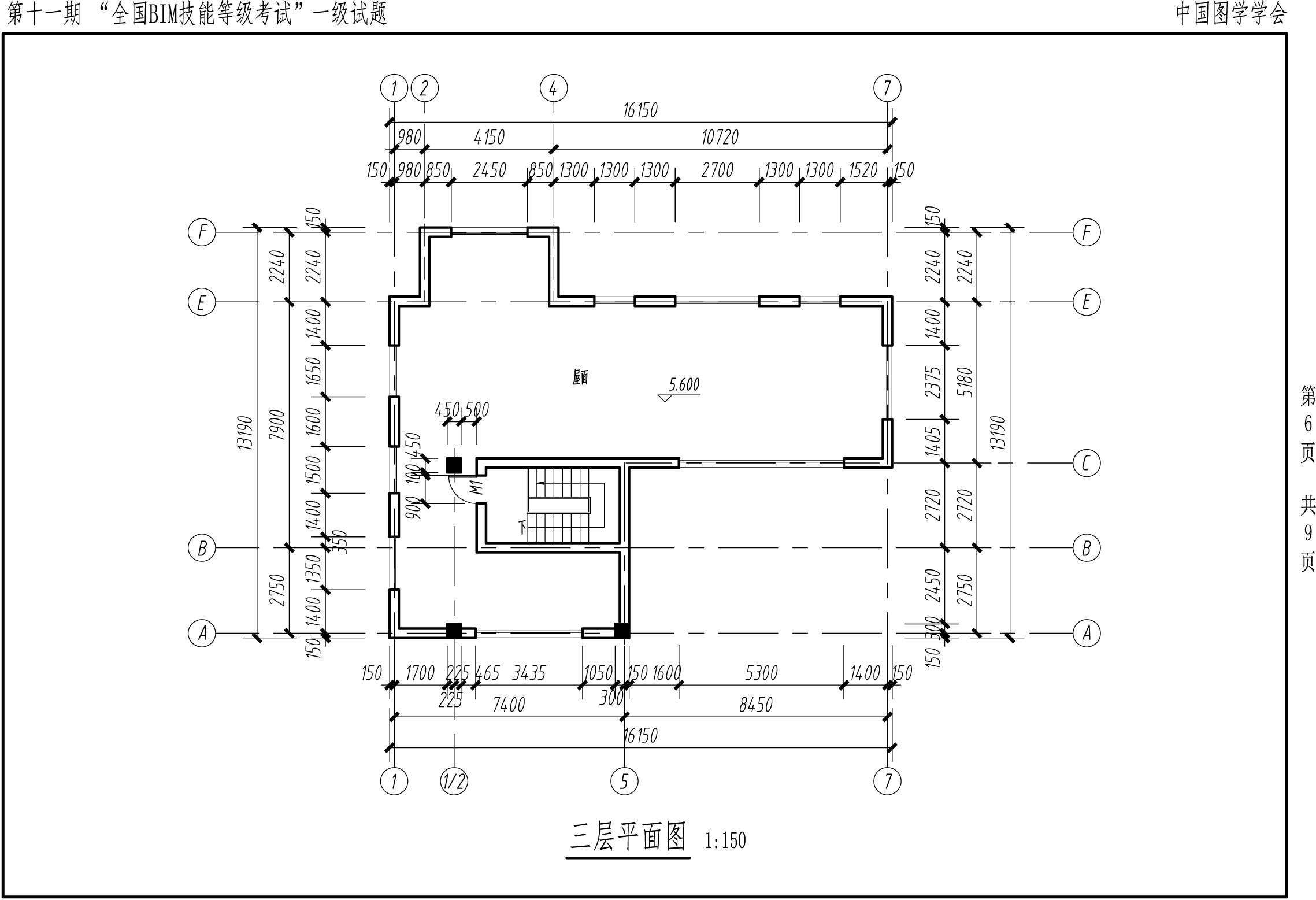
第十一期全国BIM技能等级考试一级考题
导航
腿腿首页
BIM入门
BIM课程
BIM比赛
BIM招聘
每周一练
BIM考试
技术文章
学历提升
成教中心
工具中心
GPT对话
九宫格切图
多格切图
图片裁剪
图片格式转换
饼图制作
柱状图制作
图片格式转换
图片压缩
图片加水印
GIF制作
文章格式化
培训
训练营
企业内训
书籍推荐
知识百科
下载
软件下载
插件下载
资料下载
App下载
企业服务
二次开发
BIM商城
定制培训
网站相关
关于我们
讲师合作
投稿合作
商务合作
联系我们
联系我们
付款账户
企业服务
发展历程
权益说明
服务条款
常见问题
会员权益
隐私条款
会员服务
开通会员
激活会员
解压密码:
包年会员登陆后专享特权
第十一期全国BIM技能等级考试一级考题
资源类型:文档
归属软件:建筑相关
文件格式:PDF
文件大小:1M
资源等级:
资源简介
第十一期全国BIM技能等级考试一级考题
下载
包年会员登陆后专享特权